Установка водоподготовительная ЭНЕРГОСТРОЙДЕТАЛЬ ВПУ-12
Код товара 549271Задать вопрос
Написать отзыв
Делитесь опытом
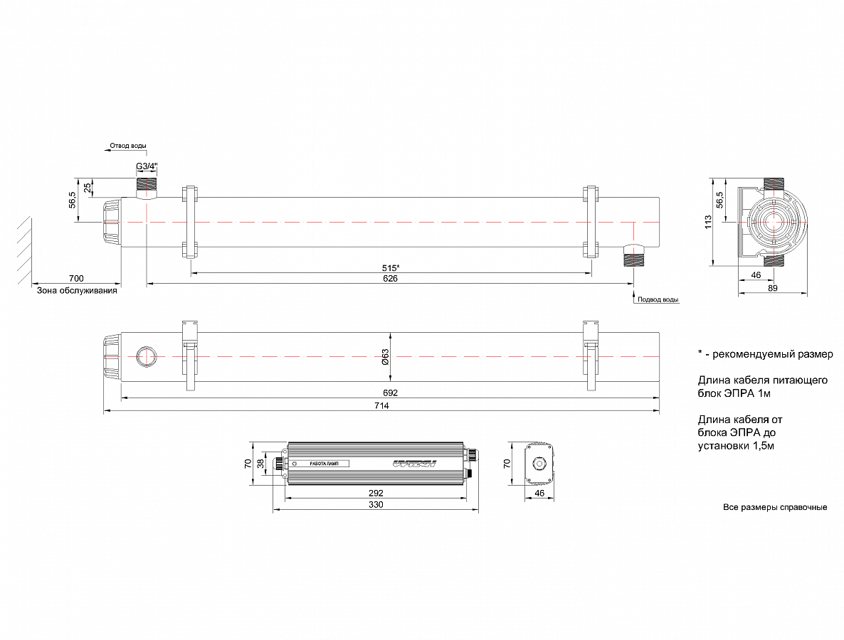
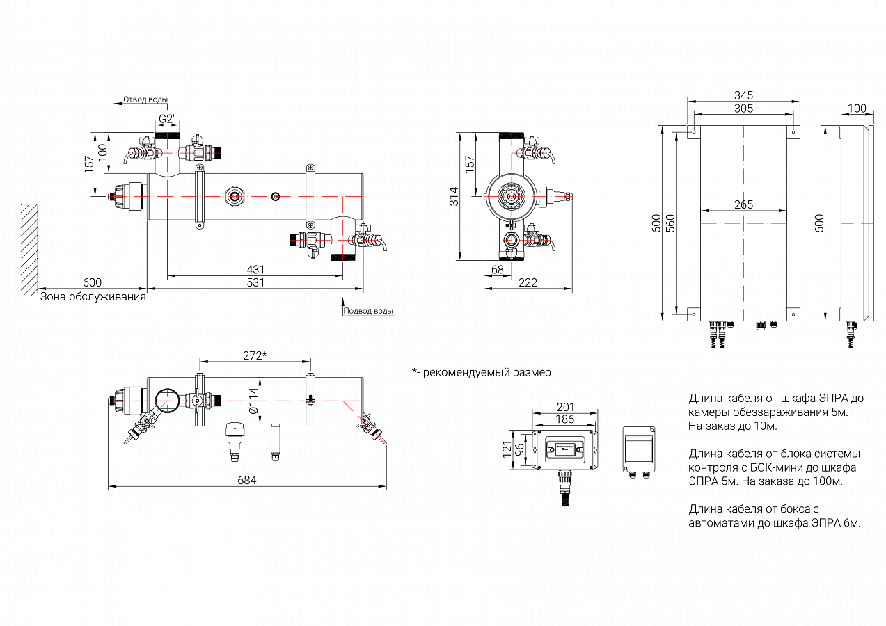
Установки водоподготовительные ВПУ предназначены для умягчения питательной воды из артезианских скважин и водопроводной сети и используются для котельных агрегатов и других объектов, где требуется умягчённая вода.
Производственный процесс на водоподготовительной установке заключается в умягчении обрабатываемой воды, останове фильтра на регенерацию, взрыхлении катионита обратным током воды. Установка ВПУ работает по схеме параллельно-точного Nа-катионирования. Исходная вода подаётся в верхнюю часть фильтра в верхнее распределительное устройство.
Пройдя через катионитовую загрузку фильтра в направлении сверху вниз, вода умягчается, выходит снизу фильтра и отводится в питательный бак, откуда разбирается для потребления.
По мере истощения катионитного фильтра, увеличивается остаточная жёсткость умягчённой воды и, при достижении предельно допустимого значения этой величины, установку отключают на регенерацию.
Регенерацию катионитного фильтра производят 6-8%-ым раствором поваренной соли, приготовленном в баке.
По окончании регенерации фильтр включают в работу. Все оборудование блочной водоподготовительной установки – катионитный фильтр, его верхнее распределительное устройство, бак для приготовления раствора соли и трубопроводы выполняют из углеродистой стали. Нижнее распределительное устройство фильтра – из полимерного материала.
ЭНЕРГОСТРОЙДЕТАЛЬ
Россия — родина бренда
Россия — страна производства
Характеристики

Отзывы и вопросы о товаре
-
5
0%
-
4
0%
-
3
0%
-
2
0%
-
1
0%
Рекомендуем также
-
-
-
ЭНЕРГОСТРОЙДЕТАЛЬ
ФИПаI-0,7-0,6-NА Фильтр очистки воды
-
RIELLO
3013141 Фильтр
-
-
-
-
HUBERT
Блок питания 48V-2.0A
-
-
ПРОМВОДОЧИСТКА
ПВО-RO-0.25-К1 Установка обратного осмоса
-
ПРОМВОДОЧИСТКА
ПВО-RO-5-Л1 Установка обратного осмоса
-
ПРОМВОДОЧИСТКА
ПВО-RO-6-К5 Установка обратного осмоса
-
ПРОМВОДОЧИСТКА
ПВО-RO-9-К2 Установка обратного осмоса
-
ПРОМВОДОЧИСТКА
ПВО-RO-20-К5 Установка обратного осмоса
-
ПРОМВОДОЧИСТКА
ПВО-RO-30-Г1 Установка обратного осмоса
-
ПРОМВОДОЧИСТКА
ПВО-RO-30-С1 Установка обратного осмоса
-
ПРОМВОДОЧИСТКА
ПВО-01FK04-S-V-Y 1.0SF-RF67-Б Фильтр обезжелезивания
-
ПРОМВОДОЧИСТКА
TOR-FMA-5003V Фильтр сетчатый
-
ПРОМВОДОЧИСТКА
ПВО-ASF-AF-7506BL Фильтр сетчатый
-
ПРОМВОДОЧИСТКА
ПВО-01FC10-S-X-Y 6.5AK-RF95-Б Фильтр сорбционный
-
-
-
-
-
-
AQUAVIVA
SDB900 Фильтр глубокой загрузки
-
-
D355 (30600 355 4)
-
-
RFL 4020 CQ XX A 1.0
-
-
RFL ON 1300C L 20 B1.0
-
-
RFL ON 1301D P 10 LE1.0 /-KB
-
-
RFL ON 2520C Q 10 D1.0
-
-
RFL SN 1301D P 20 A1.0 /-SAK
-
-
RFL SN 2500C R 5 D 1.0/-L24
-
-
RFL SN 2520C R 10 D1.0
-
-
RFL SN 4020C U 10 D1.0 /-L24
-
-
RFL W/HC851 D N 100C 1.0 /-SAK
-
-
RFLD 4020CAV XX A1.4
-
-
RFLD ON 241EAF 20 B+C1.0
-
-
RFLD ON 661DAL 5 D 1.0/-V-LED
-
-
RFLD ON 951DAS 10 D1.0 /-LED
-
-
RFLD ON1300 CAT 20BM 1.0
-
-
RFLD ON2500 CAS 10A 1.0
-
-
RFLD ON4000 CAU 10A 1.1
-
-
RFLD ON6520 CBX 10D 1.0 /-LED
-
-
RFLD ON/PO661 DAL 10LZ 1.0 /-DB
-
-
RFLD ON/PO1320 DAT 10D 1.0 /-L24
-
-
RFLD SN 951DAS 10 LE1.0
-
-
RFLD SN1300 CAS 20LZ 1.0
-
-
RFLD SN1320 CAS 10B 1.0
-
-
RFLD SN2500 CAS 5D 1.0
-
-
RFLD SN4000 CBW 20D 1.0 /-L24
-
-
RFLD W 661DAS 50 LE1.0
-
-
RFLD W/HC241 EAK 25D 1.0 /-L24
-
-
RFLD W/HC331 DAL 100D 1.0 /-L24
-
-
RFLD W/HC661 DAS 25V 1.0
-
-
RFLD W/HC951 DAS 25D 1.0 /-L24
-
-
RFLD W/HC5200 CBW 25VE 1.0
-
-
RFLD W/HC5200 CCV 25D 1.0 /-L24
-
-
CUE10-4T093B-E-NP
-
-
LTR-TN32/6