Это ваш город?

промтоваров
миллион
каталог
  • Прочее
по запросу
Доставка в г. 
  • на терминал
  • адресная доставка

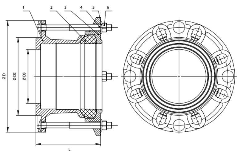
Пологоизогнутый резиновый отвод FBF-152.01.02.30 предназначен для плавного изменения направления потока абразивного материала на сложных участках системы трубопроводов. Благодаря высокой устойчивости к абразивному износу, минимальному сопротивлению потоку и увеличенному радиусу изгиба, этот отвод обеспечивает длительный срок службы, что позволяет достичь оптимальных результатов в работе.

Учитывая, что отводы устанавливаются на участках, подверженных повышенному абразивному износу, конструкция пологоизогнутого отвода уменьшает турбулентность потока и снижает ударные нагрузки на внутреннюю поверхность, что способствует увеличению срока службы.

Composit (г. Курск) более 30 лет специализируется на научных исследованиях, разработке и внедрении износостойких резиновых изделий – производстве резинотканевых трубопроводов и комплектующих для предприятий горно-обогатительного комплекса и для предприятий, осуществляющих гидромеханизированные работы. История предприятия началась с производства гусеничных лент для снегоходов, техники, затем ассортимент выпускаемых изделий увеличился. Сейчас трубопроводы и другие изделия с успехом используются при гидромеханизированных работах, в горнодобывающей, горноперерабатывающей промышленности.

Россия — родина бренда

Россия — страна производства

Характеристики

Характеристика Значение
Тип фланца закладной
Тип резины внутренней рабочей камеры (2) для пульп фракцией до 10 мм
Угол отвода, градусов, мм 30
Внутренний диаметр, мм 152
AxB (A), мм 515
AxB (B), мм 515
Толщина износостойкого слоя, мм 6
Рабочее давление, МПа 1.0
Вакуум, МПа -0.08
Радиус изгиба (R), мм 450
Вес отвода, кг 40
Присоединительные размеры (D1), мм 240
Присоединительные размеры (d1), мм 22
Присоединительные размеры (n), шт. 8
Информация о технических характеристиках, комплекте поставки, стране изготовления, внешнем виде и цвете товара носит справочный характер и основывается на последних доступных к моменту публикации сведениях

Отзывы и вопросы о товаре

Записей ещё нет — вы станете первым.
0
0 отзывов
  • 5
    0%
  • 4
    0%
  • 3
    0%
  • 2
    0%
  • 1
    0%

Рекомендуем также